Subaru Pressure Washer Parts Diagram: Your Guide

R.Womenininnovation 89 views
Subaru Pressure Washer Parts Diagram: Your Guide

Subaru Pressure Washer Parts Diagram: Your Guide

Hey guys! Ever found yourself scratching your head, staring at a disassembled pressure washer, wondering where that one tiny part goes? Or maybe you’re trying to order a replacement part but can’t quite figure out its official name or number? Well, you’re not alone! Diving into the world of pressure washer repair can be daunting, especially when dealing with a brand like Subaru, known for its robust engineering but sometimes intricate designs. In this article, we’re going to break down everything you need to know about Subaru pressure washer parts diagrams, why they’re essential, and how to use them effectively. We’ll cover everything from understanding the diagram itself to finding the right resources online. So, grab your tools (and maybe a magnifying glass!), and let’s get started!

Why a Parts Diagram is Your Best Friend

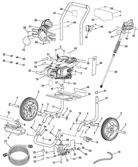
Let’s be real, nobody wants to spend hours tinkering with machinery without a clue. That’s where the parts diagram becomes your absolute best friend. Think of it as a treasure map guiding you to buried riches – in this case, a fully functional pressure washer! A parts diagram , in its essence, is a detailed visual representation of your pressure washer, showing each component and its relationship to the whole assembly. These diagrams aren’t just pretty pictures; they’re meticulously crafted documents that serve several crucial purposes.

First and foremost, a parts diagram helps in identifying parts accurately . No more guessing games or vague descriptions! Each part is labeled with a unique number, which corresponds to a parts list. This is invaluable when ordering replacements because you can be sure you’re getting exactly what you need. Imagine trying to describe a specific type of O-ring over the phone – nightmare fuel! But with the parts diagram and number, it’s a breeze.

Secondly, these diagrams assist in disassembly and reassembly . Let’s face it, taking things apart is often easier than putting them back together. A parts diagram shows you how everything fits together, preventing you from making costly mistakes. It’s like having a visual instruction manual that guides you step-by-step. Plus, it helps you remember the correct order of assembly, ensuring that all the components are properly aligned and connected.

Furthermore, a parts diagram aids in troubleshooting . When your pressure washer malfunctions, the diagram can help you pinpoint the source of the problem. By examining the diagram, you can trace the flow of water or identify potential weak points in the system. This can save you time and effort by directing your attention to the most likely culprits. For instance, if you notice a leak, the diagram can help you identify the specific seal or fitting that needs to be replaced. Lastly, using a parts diagram ensures that you order the correct part, minimizing downtime and frustration. Misidentified parts can lead to delays in repair and additional expenses. By using the diagram, you can be confident that you’re getting the right component the first time, allowing you to get your pressure washer back in action as quickly as possible.

Decoding the Subaru Pressure Washer Parts Diagram

Okay, so you’ve got your hands on a Subaru pressure washer parts diagram – great! But now what? These diagrams can sometimes look like a jumble of lines and numbers, but fear not! With a little guidance, you’ll be able to decipher them like a pro. Essentially, a Subaru pressure washer parts diagram consists of two main elements: the exploded view and the parts list . The exploded view is a drawing that shows all the components of the pressure washer separated from each other, but in their relative positions. This gives you a clear picture of how everything fits together.

Each part in the exploded view is labeled with a number. This number corresponds to an entry in the parts list, which is usually found alongside the diagram. The parts list provides detailed information about each part, including its name, part number, description, and sometimes even its dimensions and material. This is where you’ll find the crucial information you need to order replacement parts.

When reading the diagram, start by identifying the general area of the pressure washer you’re interested in. For example, if you’re working on the pump, focus on the section of the diagram that shows the pump assembly. Then, locate the specific part you’re looking for in the exploded view. Once you’ve found the part, note its corresponding number. Use this number to find the part’s information in the parts list. The parts list will give you the official name of the part and its part number. This is the information you’ll need when ordering a replacement.

It’s also helpful to pay attention to the orientation of the parts in the diagram. The exploded view is usually drawn in a way that reflects the actual orientation of the parts in the pressure washer. This can help you understand how the parts fit together and avoid making mistakes during reassembly. Note any special instructions or warnings that may be included with the diagram. These instructions can provide valuable tips for disassembly, reassembly, and maintenance. Sometimes, the diagrams will also include torque specifications for certain bolts and screws. Following these specifications is crucial for ensuring that the pressure washer is properly assembled and that the parts are securely fastened. Using the diagram to identify parts and reading the parts list carefully will ensure you have all the needed information for ordering replacements or reassembling your machine. The information available in a parts diagram is essential for anyone looking to repair their pressure washer.

Finding Your Subaru Pressure Washer Parts Diagram Online

Alright, let’s talk about where to find these elusive parts diagrams. Luckily, the internet is a treasure trove of information! However, finding the correct diagram for your specific Subaru pressure washer model is crucial. A generic diagram won’t do you much good if it doesn’t match the components of your machine.

Start by visiting the official Subaru Industrial Power Products website. Many manufacturers provide parts diagrams and manuals for their products directly on their websites. Look for a section dedicated to product support or technical documentation. You’ll likely need to know the model number of your pressure washer to find the correct diagram. This number is usually located on a sticker or plate on the machine itself. If you can’t find the diagram on the official website, try searching online using the model number of your pressure washer along with the keywords “parts diagram.” For example, you could search for “Subaru SP170 parts diagram.” This will often turn up results from online parts retailers or independent service centers.

Online parts retailers are another great source for parts diagrams. Many of these retailers provide diagrams as a service to their customers, allowing them to easily identify and order the parts they need. Some popular online retailers that may carry Subaru pressure washer parts include Amazon, eBay, and specialized power equipment parts stores. When searching for diagrams on these sites, be sure to filter your results by model number to ensure that you’re seeing the correct diagram for your machine.

Finally, don’t forget to check online forums and communities dedicated to power equipment repair. These forums can be a valuable resource for finding parts diagrams and getting advice from experienced technicians. Someone may have already uploaded the diagram you need, or they may be able to point you in the right direction. Remember to be cautious when downloading diagrams from unofficial sources. Always scan the files for viruses before opening them.

Pro Tip: When you find the diagram you need, download it and save it to your computer or print it out for future reference. This will save you time and effort in the long run, especially if you anticipate needing to repair your pressure washer again in the future. In addition, make sure that you also store any manuals you find online for your pressure washer for easier troubleshooting and maintenance in the future.

Essential Parts to Keep an Eye On

Okay, so you’ve got your diagram, you know how to read it, and you know where to find it. Now, let’s talk about some of the most common parts that tend to wear out or break down in Subaru pressure washers . Knowing which parts to keep an eye on can help you prevent major problems and extend the life of your machine.

  • Nozzles: These are the unsung heroes of your pressure washer, directing the water flow and determining the cleaning power. Nozzles can become clogged with debris over time, affecting their performance. They can also be easily damaged if dropped or mishandled. Keep an eye on your nozzles and clean them regularly. If you notice any cracks or damage, replace them immediately.
  • Hoses: The high-pressure hose is subjected to a lot of stress, and it can wear out over time. Look for cracks, kinks, or bulges in the hose. These are signs that the hose is weakening and needs to be replaced. Also, check the hose connections for leaks. A leaking hose can reduce the pressure of your washer and waste water.
  • O-Rings and Seals: These small rubber components are essential for preventing leaks. They can dry out and crack over time, especially if the pressure washer is stored in a hot or dry environment. Inspect your O-rings and seals regularly and replace them if they show any signs of wear.
  • Pump: The pump is the heart of your pressure washer, and it’s also one of the most expensive parts to replace. Take good care of your pump by following the manufacturer’s maintenance recommendations. This includes changing the pump oil regularly and protecting the pump from freezing temperatures. If you notice any unusual noises or vibrations coming from the pump, have it inspected by a qualified technician.
  • Unloader Valve: The unloader valve regulates the pressure in the system and protects the pump from damage. If the unloader valve is not working properly, it can cause the pressure washer to malfunction or even damage the pump. Inspect the unloader valve regularly and clean it if necessary. If it’s not working properly, replace it.
  • Spray Gun: The spray gun assembly typically wears out over time and will likely be a part you need to replace eventually. Fortunately, this is an inexpensive part and can easily be ordered online. The spray gun is comprised of many smaller parts, so it’s important to keep the spray gun clean and maintained.

By regularly inspecting these parts and replacing them as needed, you can keep your Subaru pressure washer running smoothly for years to come. Additionally, it’s a good idea to keep a few spare parts on hand, such as O-rings, seals, and nozzles, so you can quickly make repairs when needed. Also, don’t forget to perform regular maintenance on your pressure washer, such as cleaning the filters, changing the oil, and flushing the system. Regular maintenance will help prevent problems and extend the life of your machine.

Conclusion

So there you have it! Everything you need to know about Subaru pressure washer parts diagrams. Armed with this knowledge, you’ll be able to confidently tackle any repair or maintenance task, saving yourself time, money, and frustration. Remember, the parts diagram is your friend. Use it wisely, and your Subaru pressure washer will reward you with years of reliable service. Now go forth and conquer those dirty surfaces!